Методы промывки и чистки
Каждое устройство имеет свои особенности промывки. Узнайте подробнее, как чистить ваш фильтр в бассейне.
время от времени промывать шланг
Очистка картриджного фильтра представляет собой промывание устройства под сильным напором воды, лучше если струя будет распыленная. После промывания дайте картриджам полностью высохнуть, после чего хорошенько его встряхните, чтобы вылетел весь оставшийся мусор, можно пройтись по нему небольшой щеточкой.
Это лишь первые этапы очистки, теперь предстоит хлорирование, окуните фильтр в раствор с соотношением хлора и воды 1/6. Закройте ведро крышкой и оставьте так на 2-3 дня, в идеале на дней 5. По истечению этого срока промойте картриджи водой и оставьте сохнуть. Очистка произведена!
Промывка диатомового фильтра — это просто промывка диатомовой земли, находящейся внутри и изъятие уже отработанного материала. Делать это нужно профессионалам, поскольку такой материал может быть опасным. Для нормальной работы этого прибора необходимо время от времени менять пластины с диатомовой землей.
Выбор фильтра остается за вами, будете вы ориентироваться на цену или на какие-то другие критерии — ваше право. Рекомендуем посвятить подбору этого устройства хоть пару часов, чтобы приобрестинечто действительно стоящее и качественное. И помните, что учитывать нужно не только характеристики устройства, но и то, насколько фильтр подходит именно вашему водоему.
Процесс очистки устройства
Как промыть и почистить? С учетом степени загрязнения, которую можно отследить по манометру в шестипозиционным вентилем, устройство нуждается в очистке. Если осевшие на песок микрочастицы содержатся в большом количестве, то для прохода жидкости через фильтр понадобится высокое давление.
Когда стрелка манометра достигла критических отметок, то она будет находиться в красной области. Этот сигнал говорить о том, что необходимо осуществить обратную промывку.
Число очистительных мероприятий зависит от типа водоема, количества купаний, загрязненности воды. Чтобы достичь большей эффективности устройства необходимо установить шестипозиционные клапаны. Они осуществляют частое и автоматическое промывание фильтра. Про электронное реле давления воды для насоса читайте в этом материале.
На видео – инструкция по эксплуатации песочного фильтра для бассейна:
Комплектация представленного очистительного устройства предполагает наличие автоматической промывки. Если же подобная функция отсутствует, то очистку фильтра производят собственноручно. Порядок действий следующий:
- Соблюдая правила техники безопасности, следует отключить насос, перевести вентиль в положение «промывка».
- Включить насос на 2 минуты.
- Во время движения воды в обратном направлении загрязнения направляются в канализацию.
- Перевести вентиль в режим «утрамбовки», подождать еще минуту, а затем выключить агрегат и перейти в режим «фильтрация».
Какие действия предполагает обвязка бассейна?
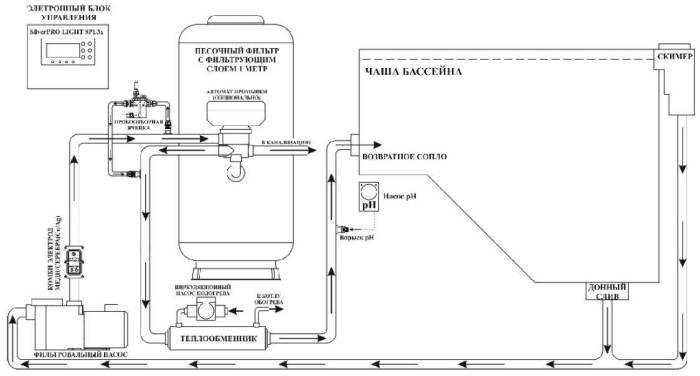
При его невыполнении монтаж оборудования специалистами фирмы не производится. Он обязательно должна проходить первичную грубую очистку. Фильтр оборудован шестипозиционным вентилем, с помощью которого в ручном режиме осуществляются переключения на режимы фильтрации, слива, закрытия, обратной промывки, циркуляции в обход фильтра и прямой промывки. Вода после очистки на песчаном фильтре поступает на водонагреватель 11 , которым осуществляется первоначальный нагрев после заполнения бассейна до заданной температуры. К тому же, количество скиммерных фильтров зависит от размеров бассейна, так на каждые 25 м2 водной поверхности одно устройство. С ростом температуры воды и интенсивности эксплуатации водоема, эта цифра может м вырасти. Для защиты кабелей должны использоваться пластмассовые гофрированные шланги или трубы. Здесь нарисован вариант с использованием блока управления, который следит за всеми процессами в системах. Нужно как-то с этим бороться, и в этом помогут вам очистительные сооружения. Пластиковые трубы легко крепятся между собой муфтами, переходниками, при помощи резьбы, клея или утюжками. В этом случае будет производиться правильная фильтрация. Каждая труба прямая и обратная должна на своем конце иметь шаровый кран.
Отправка сообщения
Вода омывает змеевик снаружи и нагревается. Насосы для разборных каркасов. Так как трубы, провода, все элементы монтируются в бетон из которого заливается чаша. На выходе из фильтра вода очищена до мельчайших частиц, и направляется обратно в чашу.
Сечение нулевого защитного проводка должно быть равно сечению фазных проводков, но в любом случае не должно быть менее 2,5 мм2 по меди по условию механической прочности. Климат в закрытом бассейне В помещении, где расположен бассейн, непременно будет постоянно высокая влажность, что со временем может негативно сказаться на отделке. Тем самым создается течение. В зависимости от объема чаши их равномерно распределяют по периметру. Фильтры насосов различают песочного и картриджного типа.
Для больших бассейнов надувного и каркасного типа достаточно одного насоса
Важно, не только правильно подобрать ее по размеру, но учесть, из какого материала она сделана, а также какой способ монтажа предполагается. Виды фильтров для бассейна Песчаные фильтры
Бассейн часть 9 (обвязка оборудования)
Обслуживание
Чтобы заменить или промыть песок в емкости, надо перекрыть доступ воды к фильтру. Для этого используют стандартные заглушки от бассейна или заранее покупают и ставят плунжерные клапаны.
С их помощью можно перекрывать воду, отсоединять шланги, не спуская бассейн. Песочные фильтры необходимо очищать 3-4 раза в сезон.
Большинство песчаных установок оборудованы манометром, который показывает повышение давления, если засыпка забита грязью. Тогда систему включают в обратном направлении, а затем промытый песок утрамбовывается. Насос при этом должен быть подключен к канализации.
Картриджный фильтр может требовать прочистки 1-2 раза в неделю, покупка нового картриджа потребуется через 2-3 месяца.
С осторожностью следует пользоваться картриджными фильтрами в воде с высоким содержанием железа. Коричневую железосодержащую воду очищают специальной химией. Перед фильтрацией выпавший ржавый осадок обязательно собирают пылесосом.
Перед фильтрацией выпавший ржавый осадок обязательно собирают пылесосом.
Инструкция, как переключить
Первоначально насос полностью отключают. Только затем выполняют следующие действия поочередно:
- Проверяют подключение всех шлангов согласно инструкции по применению аппарата.
- Заполняют уровень бассейна до скиммера или отметки на приборе, причем вода должна поступать к насосу беспрепятственно.
- Открывают крышку фильтра грубой очистки, чтобы устранить частицы воздуха, о чем будет свидетельствовать появление воды во внутреннем содержимом.
- В верхней части аппарата расположена ручка переключения режимов, она должна находиться на отметке «Закрыто».
- Один конец сливного шланга перемещают на отметку «Опорожнение», другой – в область, куда может сливаться оставшаяся вода, например, в канализацию.
- Перемещают указатель на «Обратную промывку», только после этого включают насос, для этого режима достаточно 5-7 минут.
- Опять отключают насос, переходя в режим «Уплотнение», после чего его повторно включают (достаточно 20-40 секунд).
- Повторно отключают насос, рукоять ставят в режим «Фильтрования», включают насос на период времени до 8 часов, чтобы происходила чистка.
Аппарат требует ежедневного подключения, при этом он должен работать не менее 3 часов. Обратная промывка требуется реже, так как фильтр загрязняется не так быстро.
О необходимости смены режима будет свидетельствовать уменьшение давления до 5 делений.
Ошибки и способы их избежать
Во избежание ошибок при установке, следует учесть такие советы:
Подключать трубы к насосу только посредством резьбовых соединений или с помощью переходников, поставляемых в комплекте
Не применять инструменты, отвертки, плоскогубцы, которые могут повредить резьбу.
У каждой модели песчаного фильтра своя норма загрузок, указанная в инструкции. Иначе снижается эффективность очистки воды, двигатель работает с дополнительной нагрузкой, повышается риск порчи резервуара песочного фильтра.
Как сделать песочный фильтр для бассейна своими руками
Чтобы собрать песчаную фильтрующую установку, надо с ответственностью подойти к выполнению каждого пункта пошаговой инструкции.
Какой песок лучше для фильтра бассейна
Песчаный наполнитель лучше покупать в магазине. Он полностью состоит из отсеянных гранул размером 0,4-0,8 мм. Материал промыт, прошел дезинфекцию, готов сразу к загрузке в фильтр. Выбор между кварцевым, стеклянным или комбинированным наполнителем зависит от личных предпочтений. Фильтровать они будут практически одинаково, отличается только срок эксплуатации.
Карьерный или речной песок в самодельном песочном фильтре для бассейна лучше не использовать. Во-первых, сложно отсеять фракции только нужного размера. Во-вторых, потребуется долгая процедура промывки от примесей.
Чем заменить кварцевый песок в фильтре бассейна
Если кварцевый подготовленный песок отсутствует в продаже или он по каким-то параметрам не устраивает владельца бассейна, заменить его можно стеклянным или комбинированным наполнителем. При отсутствии любого подготовленного материала в продаже, придется использовать добытый своими руками материал из карьера.
Песок просушивают и просеивают через сито. Условие обязательно. Если останутся мелкие фракции, они будут комковаться. Крупные песчинки не обеспечат фильтрацию. Подготовленный наполнитель загружают в фильтр, переключают на режим обратной промывки, ожидают, пока из патрубка мутный поток сменит чистая вода.
Сколько засыпать песка в фильтр для бассейна
Количество песчаной засыпки зависит от объема бака. Однако до верха его не заполняют, а оставляют пространство. Продается песчаный наполнитель в мешках, массой по 25 кг. На бассейн объемом 15-40 м3 надо около двух мешков. Песок засыпают внутрь бака и смачивают водой, чтобы он уплотнился. Уровень засыпки на большинстве фильтров заводского изготовления обычно отмечен меткой.
Как собрать песочный фильтр для бассейна
Для самостоятельной сборки фильтра потребуется пластиковая бочка с резьбовой горловиной и крышкой. Размер зависит от объема бассейна. Патрубки делают из пластиковой трубы, а для дренажной камеры нужна миска и капроновые чулки.
Порядок сборки:
- Под впускной и выпускной патрубок прорезают отверстия. От пластиковой трубы отрезают два куска нужной длины. Патрубки впаивают паяльником. Для надежности стыки обрабатывают герметиком.
- Дренажную камеру изготавливают из пластиковой миски. Дно и бока перфорируют сверлом. Миску обтягивают двумя или тремя слоями капроновых колготок. Сетка должна получиться мелкая, чтобы не пропускала песок.
- На конец входного патрубка внутри бочки ставят сетку. Она будет разделять мощный поток воды на несколько мелких струй, которые будут попадать на песчаную засыпку.
- Внутрь бочки засыпают подготовленную песчаную массу, шланги на патрубок насаживают с использованием термоклея. Систему подключают к насосу.
- Бочку заполняют своими руками водой, чтобы песок уселся. Со дна бассейна удаляют ил, который способен быстро забить фильтр.
- На крышку бочки устанавливают манометр, закрывают ее. После пуска насоса смотрят на давление. Если оно постоянно растет и превышает уже на 30% изначальный показатель, то песчаный наполнитель требует промывки.
- Насос останавливают. Шланги входа и выхода своими руками меняют местами. Насос включают, сбрасывают грязную воду в канализацию.
После промывки шланги возвращают в исходное состояние. Пробуют запустить систему фильтрации в обычном режиме.
Песчаный фильтр для бассейна: режимы эксплуатации и обслуживание устройства
При включении насоса для бассейна с песчаным фильтром, вода через сливы и скиммеры попадает в предфильтр, после чего проходит сквозь кварцевый наполнитель. Там она очищается и подается обратно в чашу бассейна через впускные форсунки. По истечении определенного времени, песок в установке загрязняется и его потребуется очистить, о чем известит манометр.
Песочный фильтр достаточно прост в обслуживании
Некоторые модели песчаных очистителей оснащены приборами, которые производят промывку в автоматическом режиме. Если же такое устройство отсутствует, можно выполнить очистку фильтра для бассейна своими руками. Для этого необходимо отключить насос, перевести клапан в режим промывки и снова включить насос на некоторое время.
В режиме обратного потока вода будет смывать осевшую на песке грязь в канализацию. После этого клапан необходимо перевести в режим утрамбовки. При этом насос функционирует около минуты, затем отключается и обратно включается режим фильтрации. Воду в бассейне необходимо фильтровать постоянно, вне зависимости от времени использования водоема. За сутки вода должна пройти через фильтр до 2-3 раз.
Схема составляющих деталей песочного фильтра
При использовании песочных фильтров необходимо придерживаться правил техники безопасности:
- Переводя шестипозиционный клапан на новый режим, следует отключать насос.
- Установку своими руками песочного фильтра для бассейна и насоса следует производить в пределах 1 м от стенок водоема.
- Для правильной работы насоса, необходимо обеспечить доступ воздуха в месте его расположения.
- Регулировка режима функционирования оборудования производится при отключенном насосе.
- При переводе клапана в то или иное положение, необходимо убедиться, что рычаг клапана попал точно в паз фиксатора.
- Клапан, находящийся под давлением, переключать запрещается.
Фильтрационная установка к бассейну
Разнообразие фильтров для бассейнов
Сегодня мы с вами рассмотрим известные нынче фильтры для бассейнов, их характеристики по мере эффективности, возможные преимущества или недостатки оборудования, а также правильность их установки и использования.
Песочные фильтры
По мнению специалистов и пользователей, это наименее эффективный агрегат среди предлагаемых на современном рынке, но в то же время они доступны по стоимости, поэтому приобрести их может каждый желающий. Подобные фильтры для очистки бассейнов представляют собой большого размера баки, наполненные песком. Проходя через песок, вода очищается. В это же время внутри песочной прокладки оседает грязь и посторонние частички, которым не место в вашем бассейне.
Такие системы считаются достаточно эффективными в частном использовании. Они фильтруют воду, поступающую в бассейн, но, к огромному сожалению, они не задерживают посторонние частицы, размер которых составляет около 20-25 микрон.
Диатомовые очистители
Такие устройства работают в системе со специальным наполнителем, диатомовой земляной смесью, которая производится из огромного числа микроскопических частиц ископаемого планктона. Внутри фильтра установлено несколько специальных картриджей, покрытых таким составом. Они достаточно хорошо справляются с вопросом очистки воды для бассейна от посторонних включений.
Диатомовые очистители считаются наиболее дорогими, но и работают они очень эффективно. Статистика показывает, что они очищают воду гораздо качественнее других фильтров, так как без проблем задерживают частицы размеров 3-4 микрона.
Обслуживание очистителя происходит следующим образом. Его необходимо открыть, удалить решетки и аккуратно очистить фильтр от отработанной диатомовой смеси. Но, поскольку последняя является опасным отходом, то вам также нужно знать, как ее утилизировать. В целях же безопасности, мы рекомендует пользоваться услугами специалистов.
Картриджная система
Картриджные очистители устроены очень просто. Внутри них установлены специальные пластины, произведенные из полиэстера. Они задерживают частицы размером 5-10 микрон, что считается очень хорошим результатом. Для очистки самого фильтра, вам необходимо всего лишь открыть его, достать картриджи, и промыть их под струей чистой воды.
Иногда следует проводить и дополнительную очистку, используя специально предназначенные растворы. Если же картридж износился и пришел в состояние непригодности для последующей работы, просто замените его на новый.
Погружные системы
Погружные насосы опускаются в бассейн и выкачивают из него воду. Бытовые установки могут убрать воду вплоть до 5-10 см от дна водоема, откачка проводится за несколько часов. А более профессиональные оставляют только 1 см, но такие установки нужны в основном общественным бассейнам.
Такие устройства используются раз в сезон, чтобы убрать бассейн на зиму или во время профилактических работ для очистки. Если нужно поменять всю воду, полностью очистить дно или стенки, прибегают к помощи погружных систем. Используемый ранее фильтр снимают: при откачке воды не следует отсеивать грязь, конструкция наоборот рассчитана на прием частиц размером даже в 5 см, пропускает различный мусор.
Подготовка к подключению
Инструкция по подготовке:
- Установить насос на горизонтальную ровную площадку. Для этого монтируется постамент или оборудуется подставка. Размеры подложки – чуть больше габаритов насоса.
- Чтобы погасить вибрацию и шум, нужно подстелить под основание агрегата резиновую прокладку или опоры.
- Зафиксировать насос с помощью крепежных элементов.
- Оборудовать участок сливом или дренажом.
- Устанавливать насос нужно на высоте ниже 3 м от уровня воды. Такой способ позволяет не использовать обратный клапан на всасывающей трубе.
- При большом перепаде высот установить обратный клапан. Но такая схема установки неудобна, так как появляется риск засорения клапана.
- Всасывающие трубы должны быть максимально короткими, прямыми – без лишних поворотов и уклонов.
- Установить запорную арматуру на выходе и входе.
- Обеспечить нормальный доступ, достаточное пространство и освещение для дальнейшего обслуживания системы.
Наполнение бассейна водой
Теперь переходим к самой волнующей части – наполнение чаши водой. Доставлять воду до бассейна вы можете любым удобным способом, и в большинстве случаев происходит это с помощью шланга. Подключаете один конец шланга к водоснабжению дома, а другой просто опускаем на дно чаши
Бассейн будет постепенно наполняться водой, но этот процесс нельзя оставлять без присмотра. Если вы не герметично установили форсунки или в самом материале окажется небольшое отверстие, то оно начнет спускать воду. Так как давление на дно и стены будет расти, то даже небольшая пробоина может увеличиться и полностью привести бассейн в непригодное состояние.
Популярные модели
Перед выбором бассейна для дачи обязательно ознакомьтесь не только с техническими характеристиками, но и отзывами покупателей известных интернет-площадок. Наибольшую популярность заслуженно получили следующие модели.
| Наименование | Описание | Цена по состоянию на июнь 2019 года, руб. |
| Детский надувной бассейн Intex «Sunset Glow Baby» |
|
323 |
| Надувной бассейн Intex «Easy Set 28120/56920» |
|
2510 |
| Каркасный бассейн Bestway «Steel Pro Frame 56420» |
|
21990 |
| Жёсткий бассейн «Azuro 407DL» |
|
115592 |
| Каркасный бассейн Bestway «Power Steel 56629» |
|
15009 |
Предлагаем ознакомиться с отзывами потребителей.
Надувной бассейн Intex Sunset Glow Baby
Каркасный бассейн Bestway Steel Pro Frame 56420
Каркасный бассейн Azuro Ibiza
Подготовка резервуара к установке песчаной фильтрационной системы
Чтобы подготовиться к установке фильтрационной системы, необходимо:
- Наполнить бассейн водой (если он пуст).
- Выбрать место: фильтр и насос должны располагаться на сухой поверхности, недалеко от бассейна.
- Обеспечить вентиляцию – капли воды и конденсат не должны падать на приборы.
- Если техника применяется только в летний сезон, на зиму ее нужно снимать и отправлять в место хранения, об этом нужно позаботиться заранее.
- Фильтр монтируется на изолированной подложке, на ровной поверхности, защищенной от вибрации и осадков.
- Расположить систему на 50 см ниже уровня воды – это обеспечит эффективность очистки;
- Под основание подложить водонепроницаемый материал, чтобы минимизировать риск попадания воды из почвы.
- Обеспечить подсоединение к сети через автоматический блокиратор, который срабатывает при перепадах напряжения.
- Проследить, чтобы в бассейне была качественная циркуляция воды.
Оптимальное расстояние от фильтра до чаши бассейна – минимум 1 метр
Запрещено накрывать оборудование любыми материалами, важно обеспечить хорошую вентиляцию, чтобы приборы не перегревались
Рабочие уровни устройств
Очищение воды осуществляют каждый день, так как в нее попадает:
- песок,
- земля,
- другие вещества.
Содержимое бассейна пропускают через песчаный фильтр многократно, чтобы добиться кристальной чистоты и прозрачности виды. Такие действия приводят к засорению самой фильтрационной системы.
Процесс контролируется через шестиходовый вентиль, манометр. Поэтому рекомендуется предварительно узнать про все 6 рабочих уровня устройства, эти данные указаны в инструкции по эксплуатации.
Фильтрация
При включении этого уровня вода под давлением подается внутрь устройства, проходя через фильтр. Посторонние частицы задерживаются, оставшаяся вода выходит в бассейн. Это штатное положение аппарата. Оно подключается не только для фильтрации, но и нагрева, так как за ночь вода остывает.
Промывка
При включении вода из бассейна нагнетается с помощью насоса и проходит через сепаратор. Содержащийся внутри песок становится рыхлым, находится во взвешенном состоянии. Частицы песка приподнимаются, начинают тереться друг об друга, устраняя посторонние вещества.
В обратной промывке есть свои минусы. Постепенно края песка стираются, поэтому не могут очищать бассейн, в нем начинают накапливаться взвеси. В этом случае потребуется полная замена песка.
Уплотнение
Этот режим включается сразу после того, когда была осуществлена промывка. Вода начинает циркулировать из верхней части фильтра в нижнюю, что приводит к уплотнению частиц песка.
Вода становится загрязненной, уходит в канализацию. Функция аппарата обеспечивает наличие пустот между песчинками, в которых оказываются небольшие гранулы грязи.
Опорожнение
Этот уровень подключается в том случае, если требуется слить воду из бассейна, при этом она полностью минует фильтр. Загрязненная вода выходит через коллектор, направляясь в канализацию, которая была предварительно подключена к фильтрационной системе.
Циркуляция
Функция используется в случае, если были введены химикаты в воду, чтобы очистить ее от:
- бактерий,
- грибов,
- вирусов.
Требуется, чтобы химические частицы не проходили через фильтр. Поэтому при подключении циркуляции вода только перемешивается, но не проходит непосредственно через фильтр.
Закрытый режим
Шести-позиционный вентиль переключают на этот режим, если требуется полностью закрыть фильтр. Например, метод применим, если требуется сервисное обслуживание аппарата, завершение работы для зимовки.
Возможные ошибки
Чтобы избежать типичных ошибок в подключении песчаного фильтра к бассейну, нужно соблюдать правила безопасности:
- Не ставить приборы в зонах, где возможно скопление и попадание воды, иначе электроприборы могут выйти из строя.
- Во время переключения вентилей обязательно отключать насос.
- Не накрывать насос никакими материалами во время первого запуска и эксплуатации, чтобы он не перегрелся.
- Не монтировать систему в местах без доступа воздуха – важна достаточная вентиляция.
- Не запускать фильтр и насос, если в бассейне нет воды или она на недостаточном уровне.
- Пробный запуск устройства можно выполнить без заполнения фильтра песком, чтобы убедиться в правильности соединений и слаженной работе системы.
Необходимо убедиться в полной герметизации всех стыков и других частей фильтрационной системы. При обнаружении утечки – затянуть хомуты в крепежных местах.





